Напішыце нам

sdepochwater@hotmail.com

Прадукцыя
Лічыльнік паліўнай вады
  • Лічыльнік паліўнай вадыЛічыльнік паліўнай вады
  • Лічыльнік паліўнай вадыЛічыльнік паліўнай вады

Лічыльнік паліўнай вады

Выкарыстанне: расходомер для вымярэння агульнага аб'ёму вады, якая цячэ па трубаправодзе.

Умовы пастаўкі:

▶Памер: DN50~DN600

▶Матэрыял: чыгунная абалонка

▶ Тэмпературны клас: T30, T50, T90

▶Клас ціску: MAP16, MAP10

▶Страта ціску:△P63


Спосаб ўстаноўкі:

1.Гарызантальная ўстаноўка.

2. Неабходны дадатковы фільтр для вады.

3. На ўваходзе/выхадзе вады ў лічыльніку вады патрэбна прамая труба U10/D5.


Характарыстыкі:

1.Малае супраціўленне перадачы, вялікая прапускная здольнасць, антыблакіроўка і моцная здольнасць супраць забруджвання.

2. Гарызантальны ротар, сухі, прывад магнітнай муфты.

3.Лічыльнік выкарыстоўвае вакуумную герметызацыю, абарону ад кандэнсацыі і распылення і можа захоўваць выразнасць на працягу доўгага часу.

4.Removable структура прынята для лёгкай ўстаноўкі і абслугоўвання

5. Вымяральны механізм мае моцную ўніверсальнасць.

6. У адпаведнасці з патрэбамі кліентаў можа быць прадастаўлена дыстанцыйная перадача і прылада перадачы (перадача з падвойным рыдам/холам).


Тэхнічныя параметры:

DN (мм) Плынь дыяпазон Гатунак вымярэння Максімум паток Q4 Агульны паток Q3 Гранічны паток Q2 Мінімум паток Q1 Мінімум чытанне Максімум чытанне
Q3/Q1 м3/г м³
LXXG-50 2” R20 (R25) 25 31.25 5 1.25 0.002 999, 999
LXXG-65 2/2" 40 50 8 2 0.002 999, 999
LXXG-80 3” 63 78.75 12.6 3.15 0.002 999, 999
LXXG-100 4" 100 125 20 5 0.002 999, 999
LXXG-125 5” 160 200 32 8 0.002 999, 999
LXXG-150 6” 250 312.5 50 12.5 0.002 999, 999
LXXG-200 8” 400 500 80 20 0.002 999, 999
LXXG-250 10” 630 787.5 126 31.5 0.02 9, 999, 999

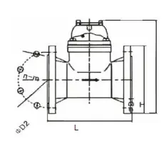
Габарытныя памеры і вага:

мадэль DN Даўжыня Вышыня Злучальны фланец
мм Фланец вонкавы дыяметр φD1 Колькасць злучальныя балты D2 Колькасць злучальныя балты
LXXG-50 2” 200 253 165 125 4*М16
LXXG-65 2V2" 200 268 185 145 4*М16
LXXG-80 3” 225 284 200 160 8*М16
LXXG-100 4" 250 295 220 180 8*М16
LXXG-125 5” 250 310 250 210 8*М16
LXXG-150 6” 300 339 285 240 8*М20
LXXG-200 8” 350 382 340 295 8*M20 (1,0 МПа) 12*M20 (1,0 МПа)
LXXG-250 10” 450 438 395 405
12*M20 (1,0 МПа) 12*M24 (1,0 МПа)

A. Максімальна дапушчальная памылка нізкай вобласці (Q1≤Q

B. Калі тэмпература вады ≤30℃, максімальная дапушчальная хібнасць у высокай вобласці (Q2≤Q≤Q4) складае ±2% Калі тэмпература вады>30 ℃, максімальна дапушчальная хібнасць у высокай вобласці (Q2≤Q≤Q4) складае ±3%






Гарачыя тэгі: Лічыльнік паліўнай вады
Адправіць запыт
Кантактная інфармацыя
  • Адрас

    № 112, Джыфанг -роўд, раён Ліксіі, горад Джынан, правінцыя Шаньдун, Кітай

  • Электронная пошта

    sdepochwater@hotmail.com

Гатовы ўзяць ваш праект па водазабеспячэнні на новы ўзровень? Адпраўце запыт у Shandong Epoch Equipment Co., Ltd. і атрымайце персаналізаваны адказ ад нашай каманды. Мы тут, каб дапамагчы ва ўсіх вашых патрэбах у сістэме водазабеспячэння. Давайце будзем вашым давераным партнёрам.
X
We use cookies to offer you a better browsing experience, analyze site traffic and personalize content. By using this site, you agree to our use of cookies. Privacy Policy
Reject Accept