Напішыце нам

sdepochwater@hotmail.com

Навіны

Структура і прынцып працы клапана матылькоў

90-градусная ратацыя, майстэрства кіравання патокам-без асаблівых высілкаў-Клапаны матылькоў: Аптымізацыя эфектыўнасці і кошту для трубаправодаў з вялікім дыяметрам!

1.Ovelall Агляд:

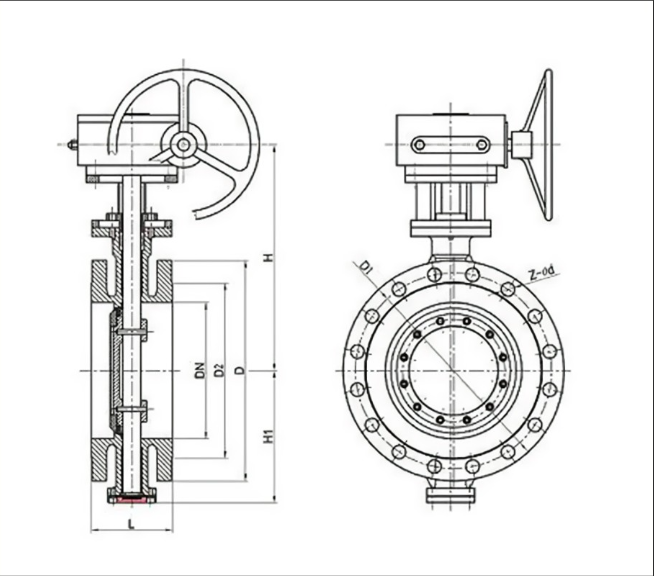
  Клапан матылькоўгэта структурна просты і хуткі аперацыйны клапан, які ў асноўным выкарыстоўваецца для кантролю патоку вадкасці (напрыклад, вады, газу ці завісання) у трубаправодах. Яго асноўная функцыя - адкрыць, зачыняць або рэгуляваць праход патоку, паварочваючы дыск (матылёк) у трубе.

2.Key Components - корпус клапана і дыск:

   Асноўным корпусам клапана матылькоў з'яўляецца корпус клапана, кароткі цыліндрычны корпус, злучаны з трубаправодам на абодвух канцах, утвараючы вадкасны праход. Асноўны кампанент - дыск, размешчаны ў цэнтры ў межах праходу цела клапана. Гэта структура ў форме дыска, дызайн якой (канцэнтрычны або эксцэнтрычны) і матэрыял значна ўплываюць на прадукцыйнасць клапана.

3.Key Components - STEM і прыступ:

   Сцябло праходзіць праз цэнтр або эксцэнтрычную кропку дыска і распаўсюджваецца па -за корпуса клапана. Гэты вал адказвае за перадачу сілы кручэння (крутоўнага моманту), які ўтвараецца з дапамогай знешняга механізму працы (напрыклад, рычаг, зручны колы або аўтаматычны прывад) на дыск, які рухае яго кручэнне.

4. КАМПАНІЯ - Ушчыльненне (сядзенне і ўшчыльненне):

   Для дасягнення герметызацыі пры закрытым выпадку на ўнутранай сценцы клапана ўсталёўваецца кальцавое сядзенне (альбо на край дыска ў патройным канструкцыі). Калі дыск зачыняецца, яго край шчыльна прыціскаецца да гэтага сядзення. Матэрыялы сядзення могуць быць эластамерамі (мяккае сядзенне, напрыклад, гума, PTFE, прапаноўваючы добрую герметычнасць) або металу (цвёрдае сядзенне, устойлівы да высокай тэмпературы і ціску). Акрамя таго, ушчыльняльнікі (напрыклад, упакоўка або кольцы O) размешчаны там, дзе сцябло выходзіць з корпуса клапана, прадухіляючы ўцечку носьбіта ўздоўж сцябла.

5. Прынцып працы - Працэс адкрыцця:

   Калі клапан павінен быць адкрыты, механізм працы (ручнога або аўтаматычнага) паварочвае сцябло. Сцябло прымушае дыск круціцца вакол сваёй восі, рухаючыся з становішча, перпендыкулярнага да восі трубаправода (90 градусаў, закрытага стану) да становішча, паралельнага ёй (0 градусаў). Па меры таго, як дыск круціцца, яго непраходнасць да вадкасці памяншаецца, праход патоку паступова адчыняецца, і вадкасць плаўна цякуць. Кут павароту дазваляе дакладны кантроль над хуткасцю патоку.

6. Прынцып працы - Працэс закрыцця:

   Калі клапан трэба закрыць, механізм працы круціць сцябло ў зваротным кірунку. Дыск пачынае круціцца са свайго становішча, паралельна трубаправода, паступова блакуючы шлях патоку. Паварочваючы прыблізна 90 градусаў, каб дасягнуць перпендыкулярнага становішча, край дыска цвёрда прыціскаецца да сядзення. Дзякуючы гэтаму сціску (абапіраючыся на эластычную дэфармацыю для мяккіх сядзенняў, альбо дакладны канічны кантакт для цвёрдых сядзенняў), паміж краем дыска і сядзеннем утвараецца поўнае ўшчыльняльнае кольца, цалкам перакрываючы паток вадкасці.

7. Пазначэнні:

   Асноўныя перавагі клапанаў матылькоў заключаюцца ў іх кампактнай структуры, лёгкай вазе і кароткіх памерах тварам да твару (эканомія месца), простай і хуткай працы (звычайна патрабуюць толькі 90-градуснага кручэння для адкрытага/закрытага), нізкай устойлівасці да вадкасці (асабліва пры поўным адкрыцці), нізкай працы і значных перавагамі ў буйных трубаправодах вялікіх дыяметраў.

8. Падарожжы і меркаванні:

   Недахопы клапанаў матылькоў ўключаюць у сябе здольнасць да іх ушчыльнення, як правіла, ніжэйшыя, чым засаўкі або глобусныя клапаны (асабліва мяккія тыпы), дыск заўсёды прысутнічае ў шляху патоку, што выклікае пэўную страту ціску, менш прыдатныя для цяжкіх прымянення дросельных захворванняў (якія могуць выклікаць вібрацыю і эрозію) і адчувальнасць мяккіх матэрыялаў да экстрэмальных тэмператур.

9. Тыповыя прыкладанні:

   Выкарыстоўваючы гэтыя перавагі, клапаны матылькоў шырока ўжываюцца ў сцэнарыях дыяметра сярэдняга да вялікага, патрабуючы хуткай працы, абмежаванняў прасторы або адчувальнасці да выдаткаў. Агульныя прымяненне ўключаюць: водазабеспячэнне і дрэнажныя сістэмы (пітная вада, сцёкавыя вады), ВВАК (ацяпленне, вентыляцыя і кандыцыянер), сістэмы пажарнай абароны, астуджальная вада ў энергетычнай галіне, нафтахімічную прамысловасць (для нізкага ціску, асяроддзя аб навакольным асяроддзі), харчовых і фармацэўтычных прамысловасці (клапаны санітарнага паходжання) і развязкі сухавання.

   Shandong Epoch Equipment Co., Ltd. з'яўляецца маштабным прафесійным вытворцам у Кітайскай правінцыі Шаньдун, прытрымліваецца арыентацыі навукі і тэхналогій, аховы навакольнага асяроддзя, якасці і эфектыўнасці. У цяперашні час ён ператварыўся ў трансрэгіянальнае і шматразовае прадпрыемства, якое аб'ядноўвае такія шырокія галіны, як распрацоўка, распрацоўка, вытворчасць і экспарт. Наведайце наш вэб -сайт па адрасеhttps://www.epochpipeline.com/Каб даведацца больш пра нашу прадукцыю. Для запытаў вы можаце звязацца з намі па адрасе sdepochwater@hotmail.com.

Звязаныя навіны
Пакіньце мне паведамленне
X
Мы выкарыстоўваем файлы cookie, каб прапанаваць вам лепшы вопыт прагляду, аналізаваць наведвальнасць сайта і персаналізаваць кантэнт. Выкарыстоўваючы гэты сайт, вы згаджаецеся на выкарыстанне намі файлаў cookie. Палітыка прыватнасці
Адхіліць Прыняць