Напішыце нам

sdepochwater@hotmail.com

Навіны

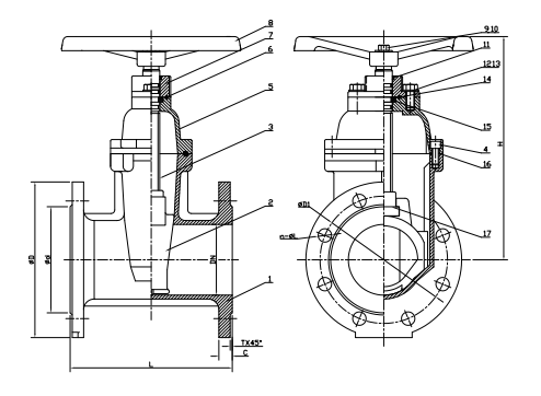
Фланцавы пруглены клапан варот NRS

   АФланцавы пруглены клапан засаўкі, які не ўздымаецца (NRS)гэта засаўка клапана з фланцамі злучэння і невырашальным сцяблом. Яго асноўная канструкцыя мае клінавыя засаўкі з гумовым пакрыццём (пругкавае сядзенне) і механізм, які не расце. Паварот руху рухае гайку сцябла, каб перамясціць вароты вертыкальна, ушчыльняючы або адкрываючы трубаправод. Стандарт BS 5163/EN 1074 (рэйтынг ціску PN10/16), клапан спалучае ў сабе трываласць металічнага корпуса з эластычным герметызацыяй з нулявым узроўнем.


Сцэнарыяў прыкладання Скарыстаныя ўстаноўкі:

   Падземны клапан і вузкія галерэі труб (дызайн NRS эканоміць вертыкальную прастору); будаўніцтва праслойкаў супрацьпажарнай абароны; праслойкі нізкага да сярэдняга ціску: адключэнне ў муніцыпальных сетках водазабеспячэння; прамысловыя астуджальныя сістэмы (вытрымка ≤80 ° C/176 ° F); пажарныя помпавыя станцыі/выкіды/выкіды (UL/сертыфікаваныя формы FM); спраўныя рэжымы FM); спраўныя рэжымы FM); спраўныя рэжымы FM); спраўныя рэжымы FM); спраўныя рэжымы FM); спраўныя рэжымы FM); спраўныя рэжымы FM); Расліны (ушчыльняльнікі EPDM супрацьстаяць слабым кіслот/шчолачы); прыбярэжныя трубаправоды (поўнае эпаксіднае пакрыццё для абароны ад карозіі).

   Асноўныя перавагі1. Ушчыльненне надзейнасці Структура SEAL: Гумавы сядзенне + Зрушэнне з металічнага кліну дасягае герметызацыі класа А en 12266 (уцечка ≤0,01%); аўтаматычная кампенсацыя зносу: эластычныя сядзенні запаўняюць мікра-дэфармацыю, пашыраючы тэрмін службы да 200 000 цыклаў.2. Касмічная эфектыўнасць і нізкая ўстойлівая да тэхнічнага абслугоўвання Дызайн NRS: Цалкам закрыты сцеблы прадухіляе знешнія пашкоджанні (на 60% менш адмоваў у параўнанні з клапанамі ўзыходзячага ствала); без тэхнічнага абслугоўвання працы: самастойна марублівыя падшыпнікі + ушчыльненне ствала IP68 (нулявое абслугоўванне на працягу 10 гадоў) .3. Інжынерныя адаптацыі, якія змяшчаюць фланцы: ISO 5211 FLANCE, сумяшчальныя з трубаправодамі GB/ANSI/DIN; нізкі ўстойлівасць да патоку: поўная адтуліна (DN≥80) зніжае страту галавы на ≥30%; хуткая закрыццё: 90 ° Рух паварот дазваляе хутка закрыць (≤3-секундны адказ).

   Прамысловыя прымяненне Паб. Абнаўленне вады: клапаны DN300 замянілі старэнне сталёвых варот (уцечка зніжана да 0,001%); Дубай Палм-Айленд Пажарная сістэма: клапаны NRS прайшлі ISO 9227 Salt-Spray Testing (2000 гадзін); Кітайская новая ўтылічная тунэля ў Кітаі: Убудаваны Turnel Tunnel Tunnel Trique Sensors Enable MonitOte MonitOte. (EPDM/NBR/VITON) на аснове тэмпературы вадкасці/хімічнай сумяшчальнасці.

   Shandong Epoch Equipment Co., Ltd. з'яўляецца маштабным прафесійным вытворцам у Кітайскай правінцыі Шаньдун, прытрымліваецца арыентацыі навукі і тэхналогій, аховы навакольнага асяроддзя, якасці і эфектыўнасці. У цяперашні час ён ператварыўся ў трансрэгіянальнае і шматразовае прадпрыемства, якое аб'ядноўвае такія шырокія галіны, як распрацоўка, распрацоўка, вытворчасць і экспарт. Наведайце наш вэб -сайт па адрасеhttps://www.epochpipeline.com/Каб даведацца больш пра нашу прадукцыю. Для запытаў вы можаце звязацца з намі па адрасе sdepochwater@hotmail.com.


Звязаныя навіны
Пакіньце мне паведамленне
X
Мы выкарыстоўваем файлы cookie, каб прапанаваць вам лепшы вопыт прагляду, аналізаваць наведвальнасць сайта і персаналізаваць кантэнт. Выкарыстоўваючы гэты сайт, вы згаджаецеся на выкарыстанне намі файлаў cookie. Палітыка прыватнасці
Адхіліць Прыняць